13316372403

您的位置: 网站首页 > 产品中心 > 链条环形线系列 > 手推环形线系列
  • 手推环形线系列
  • 自动链条环形线系列
  • 半自动左右循环装配线A

    产品类别:手推环形线系列

    产品简介:

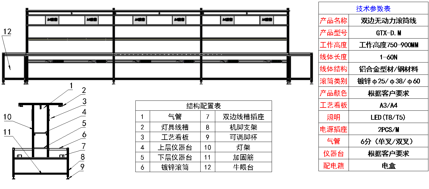
    双边滚筒线分为手推式双边滚筒线和自动双边滚筒线两种,前者为手推式作业,后者为自动流动式作业(即工件一边自动流动一边作业),该作业方式效率较高。该设备广泛应用于一般加工、装配、包装比较重型的产品,同时也适用于各类重型慢节拍率的产品组装生产,也适用于托盘式货物的输送,本产品能够运送单件重量很大的物料,承受较大的载荷,全线标配有物料台,物料台有平面和斜面设计,全线体还标准配装了LED灯具、工具吊轨、气管及接头、线槽及插座、工艺SOP架等。

    采购热线:13316372403

    电话咨询 返回上页

    图片11.png

    图片12.png


    电话联系 联系方式

    微信

    微信公众号

    关注微信

    电话

    座机:0752-2311081 手机:13316372403

    顶部